KJF

ENG


BALL LOCK CLAMPS

YOU CAN COUNT ON OUR EXPERTISE

Features
  • 강력한 락킹
  • 컴팩트한 사이즈
  • 단동으로 작동
  • 외경범위 : ø6.5~16
  • 작동압력 : 2.5~7.1kgf/㎠
  • 사용온도 : 0~70℃
Specifications
Model No. Holding Force(kgf) Fluid Release Air
Capacity(㎤)
Weight(kg) Operating
Pressure Range
(kgf/㎠)
Operating
Temperature
Range(℃)
Pin Bushing
BLC-0605 5 Air 0.08 0.007 0.004 2.5~7.1 0~70
BLC-0807 7 0.08 0.008 0.005
BLC-1010 10 0.15 0.013 0.008
BLC-1215 15 0.26 0.020 0.009
BLC-1620 20 0.49 0.045 0.019
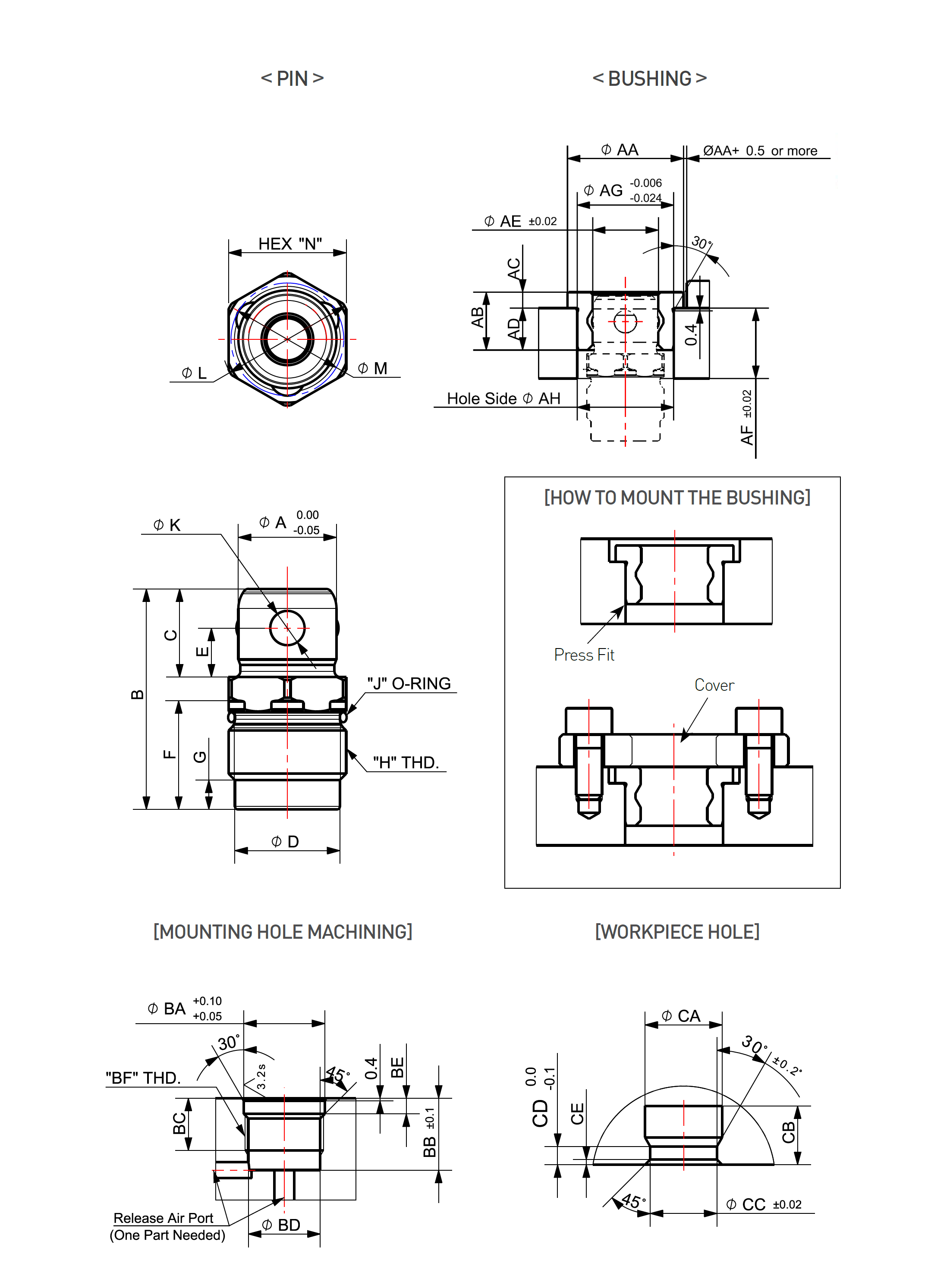
MODEL NO 주문 Download Dimensions(mm)
2D 3D PDF øA B C øD E F G H J øK øL øM N øAA AB AC AD øAE AF øAG øAH øBA BB BC øBD BE BF øCA CB øCC CD CE
BLC-0605 6.5 19.5 7.0 9.0 4.0 10.6 3.0 M10x0.75P SS8.5(NOK) 2.5 11.0 7.7 10.0 14.0 7.5 2.0 5.5 6.7 8.0 12.0 12.0 10.4 10.5 7.5 9.3 2.4 M10x0.75P 7.9 8.0 6.7 2.8 0.8
BLC-0807 8.0 20.5 8.0 9.0 4.5 10.6 3.0 M10x0.75P SS8.5(NOK) 3.0 11.0 9.3 10.0 14.0 7.5 2.0 5.5 8.2 8.0 12.0 12.0 10.4 10.5 7.5 9.3 2.4 M10x0.75P 9.5 9.0 8.2 3.2 0.8
BLC-1010 10.0 22.5 9.0 10.7 5.0 11.1 3.0 M12x1.0P SS10.5(NOK) 3.5 13.5 11.5 12.0 18.0 9.0 2.5 6.5 10.2 9.5 15.0 15.0 12.4 11.0 8.0 11.0 2.4 M12x1.0P 11.8 10.0 10.2 3.4 0.8
BLC-1215 12.0 25.0 10.0 12.7 5.5 12.1 3.0 M14x1.0P SS12(NOK) 4.0 15.5 13.8 14.0 20.0 10.0 2.5 7.5 12.2 11.0 17.0 17.0 14.4 12.0 9.0 13.0 2.8 M14x1.0P 14.2 11.0 12.2 3.6 0.8
BLC-1620 16.0 29.5 11.5 16.1 6.5 14.1 3.4 M18x1.5P AS568-016 5.0 21.2 18.2 19.0 26.0 11.5 3.0 8.5 16.2 13.0 23.0 23.0 19.4 14.0 10.5 16.5 3.8 M18x1.5P 18.6 12.5 16.2 4.0 1.0
TOP