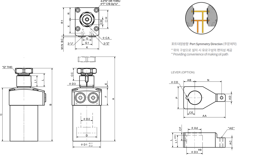
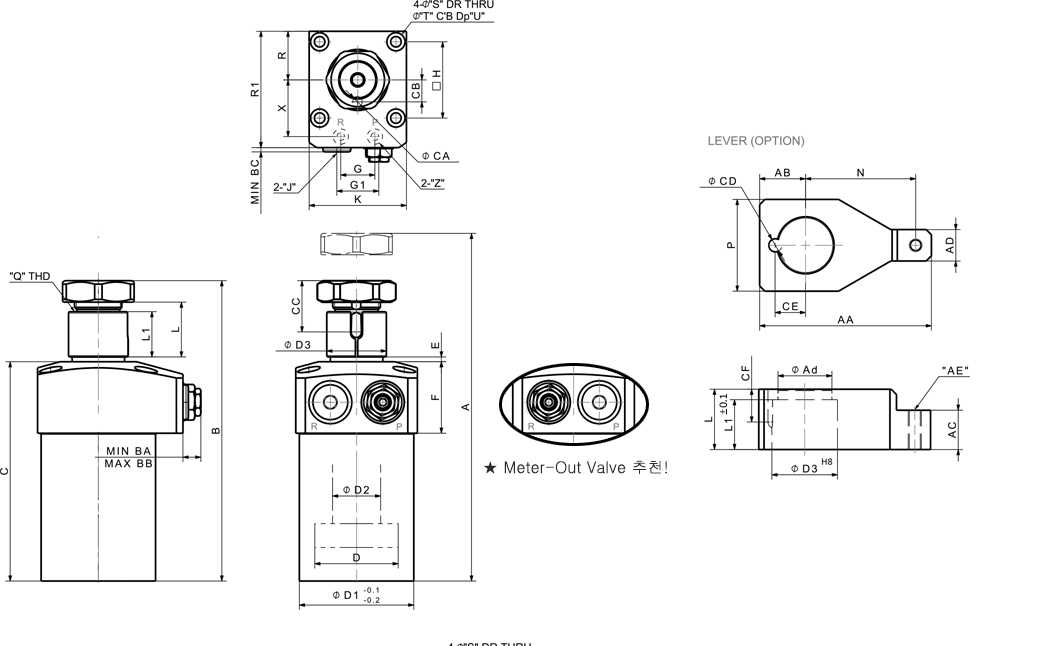
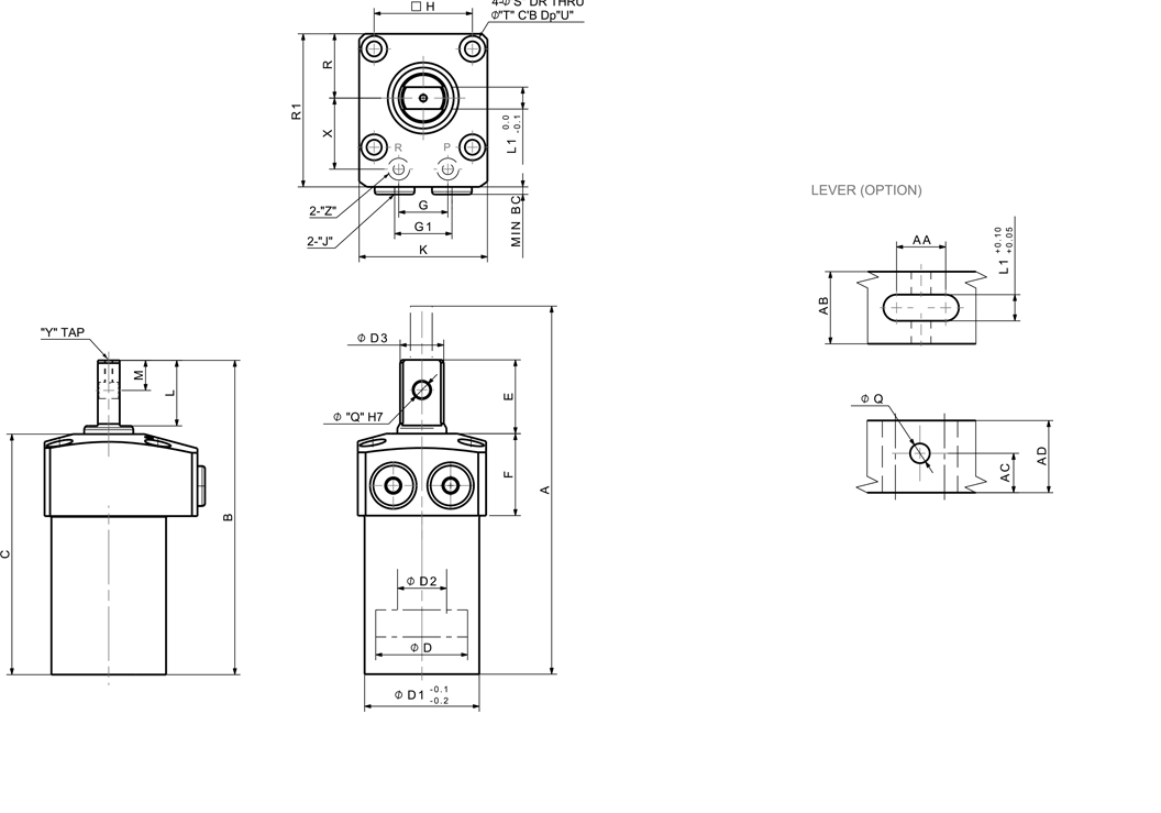
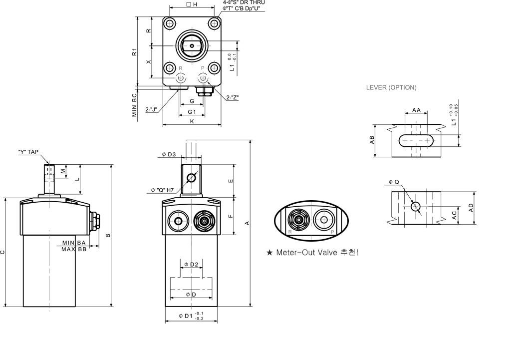
YOU CAN COUNT ON OUR EXPERTISE







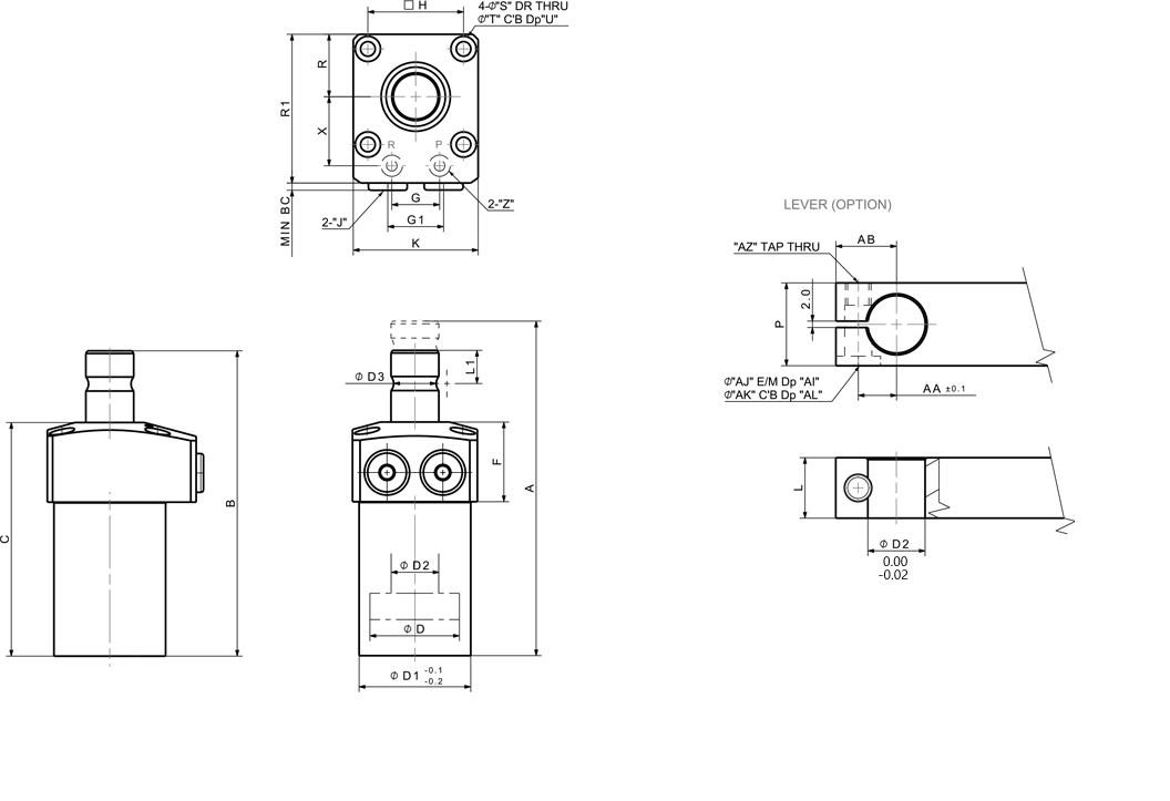
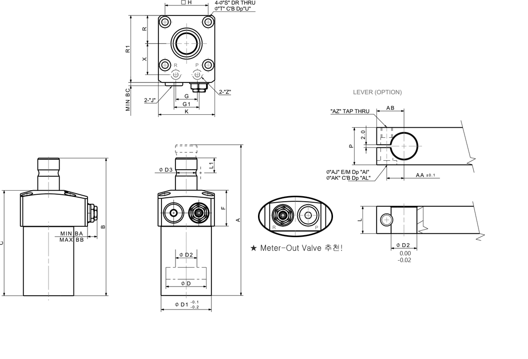
| Model No. | Type | Max. Cylinder Force(kgf) |
Piston Diameter(ø) |
Effective Area(㎠) |
Stroke(mm) | Oil Capacity(㎤) at Clamping |
Swing Angle Tolerance (Repeated Accuracy) |
Operating Pressure Range (kgf/㎠) |
Operating Temperature Range(℃) |
Weight (kg) |
||
|---|---|---|---|---|---|---|---|---|---|---|---|---|
| Swing | Straight | Total | ||||||||||
| CSDR/L-2516 | G | 219 | 25 | 3.14 | 8 | 8 | 16 | 5.02 | ±3° (±0.5°) |
20~70 | 0~60 | 0.90 |
| GP | 0.73 | |||||||||||
| GQ | 0.75 | |||||||||||
| CSDR/L-3017 | G | 316 | 30 | 4.52 | 9 | 8 | 17 | 7.69 | 1.33 | |||
| GP | 1.05 | |||||||||||
| GQ | 1.09 | |||||||||||
| CSDR/L-3618 | G | 446 | 36 | 6.37 | 10 | 8 | 18 | 11.47 | 1.52 | |||
| GP | 1.36 | |||||||||||
| GQ | 1.44 | |||||||||||
| CSDR/L-4220 | G | 625 | 42 | 8.94 | 10 | 10 | 20 | 17.88 | 1.78 | |||
| GP | 1.66 | |||||||||||
| GQ | 1.76 | |||||||||||
| CSDR/L-5026 | G | 879 | 50 | 12.56 | 16 | 10 | 26 | 32.66 | 3.21 | |||
| GP | 3.01 | |||||||||||
| GQ | 3.19 | |||||||||||
| CSDR/L-6028 | G | 1305 | 60 | 18.64 | 16 | 12 | 28 | 52.20 | 5.80 | |||
| GP | 4.28 | |||||||||||
| GQ | 4.41 | |||||||||||






