YOU CAN COUNT ON OUR EXPERTISE







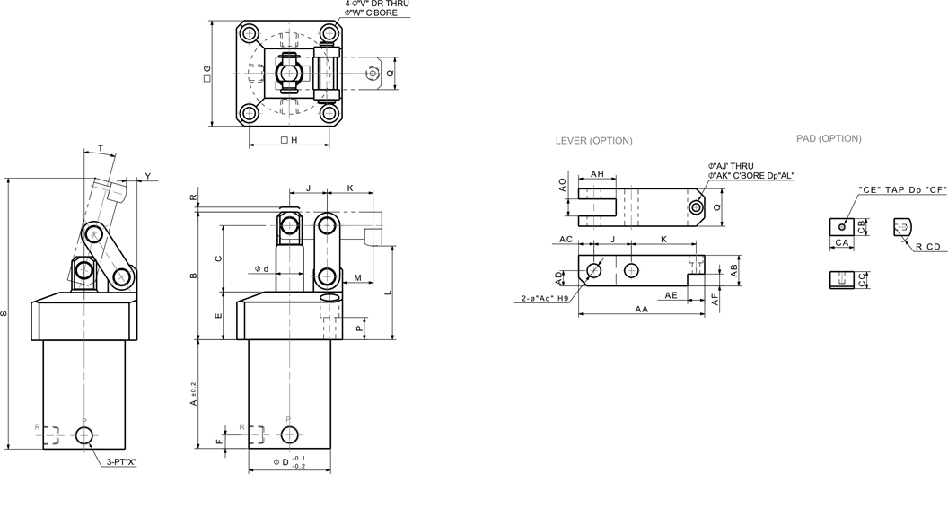
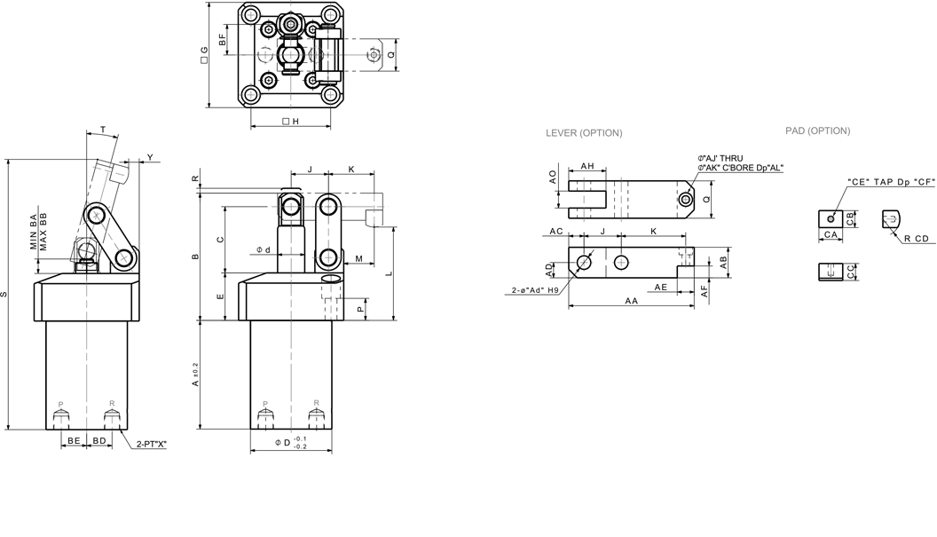
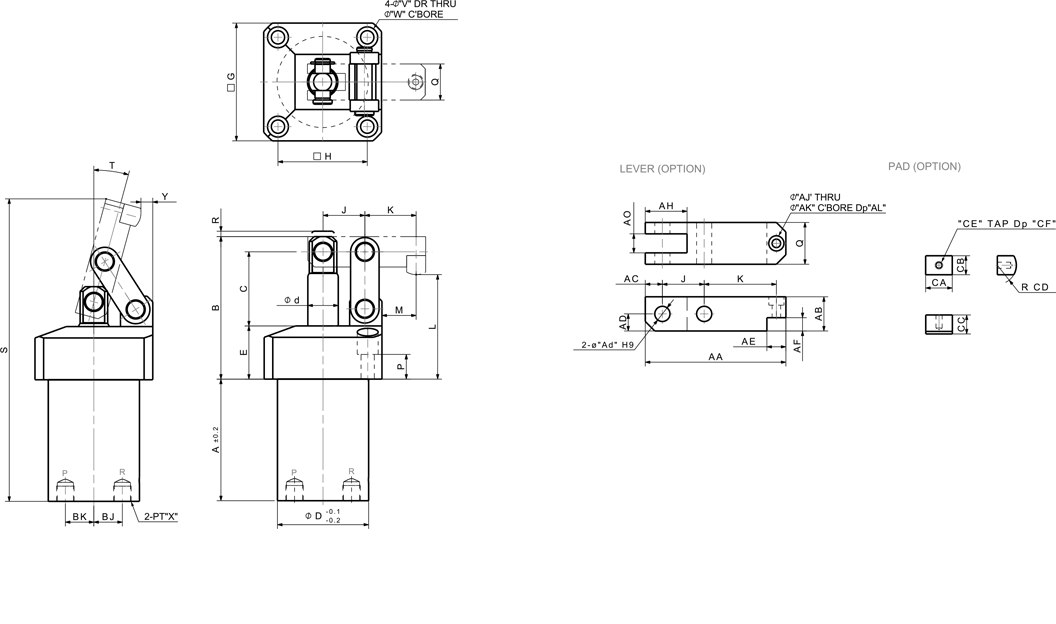
| Model No. | Type | Clamping Force(kgf) | Piston Diameter(ø) |
Effective Area(㎠) |
Stroke(mm) | Oil Capacity(㎤) | Operating Pressure Range (kgf/㎠) |
Operating Temperature Range(℃) |
Weight (kg) |
|||
|---|---|---|---|---|---|---|---|---|---|---|---|---|
| @70kgf/㎠ | Total | Extra | Clamp(Push) | Unclamp(Pull) | ||||||||
| HGC-2502 | T | 228 | 25 | 4.9 | 28 | 2 | 13.7 | 8.1 | 15~70 | 0~60 | 1.73 | |
| TV | 1.73 | |||||||||||
| TS | 1.72 | |||||||||||
| HGC-3203 | T | 325 | 32 | 8.04 | 28 | 2 | 22.5 | 15.4 | 2.26 | |||
| TV | 2.27 | |||||||||||
| TS | 2.27 | |||||||||||
| HGC-4005 | T | 544 | 40 | 12.56 | 33 | 2 | 41.4 | 41.4 | 3.37 | |||
| TV | 3.38 | |||||||||||
| TS | 3.39 | |||||||||||
| HGC-5009 | T | 935 | 50 | 19.63 | 42 | 4 | 82.5 | 82.5 | 5.67 | |||
| HGC-6315 | T | 1563 | 63 | 31.16 | 50 | 4 | 155.8 | 155.8 | 9.06 | |||
| HGC-8023 | T | 2344 | 80 | 50.24 | 60 | 4 | 301.4 | 301.4 | 15.28 | |||



